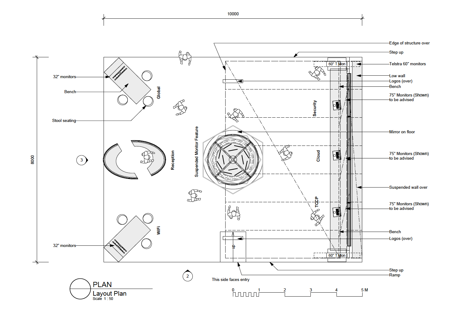
Designed for Creative D'Vision Pty Ltd
Client Creative D'Vision for Telstra / Concept, visuals, documentation, graphics by Chris Storey
CISCO Live 2014